Svorka pro opěrné kolo WINTERHOFF KLE60 60 mm
- Svěrka WINTERHOFF KLE60 je vhodná pro opěrná kola a pevné podpěry s průměrem trubky 60 mm. Používá se na přívěsech pro automobily a plošinových přívěsech. Je vybavena praktickou rukojetí pro otevírání a zavírání. Přišroubuje se k oji nebo konstrukci přívě
V sadě levnějí

Akce Oporné kolo s upínáním WINTERHOFF ST60-255SB+KLE60 250 kg 60 mm 525-755 mm
Svorka pro opěrné kolo WINTERHOFF KLE60 60 mm
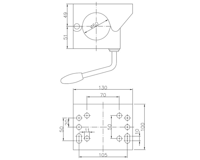
Svěrka (upínací svorka) KLE60 od společnosti WINTERHOFF je určena pro montáž opěrného kola nebo podpěry s trubkou o průměru 60 mm , což zajišťuje stabilní a bezpečné upevnění k oji přívěsu. Svěrka je dlouhá 130 mm a široká 100 mm , což zajišťuje dostatečnou upínací plochu a pevnou oporu pro trubku. Je vybavena deseti montážními otvory o průměru 11 mm s roztečí 105 x 50 mm , což umožňuje snadnou a přesnou montáž na konstrukci přívěsu.

Přípustné zatížení
Maximální nosnost svěrky je 500 kg , což je velmi vysoká hodnota a zajišťuje mimořádně stabilní a bezpečné upevnění opěrného kola k oji přívěsu. Tato vysoká nosnost zaručuje, že nosná trubka zůstane pevně na svém místě i při větším zatížení, čímž se minimalizuje riziko uvolnění a posunutí. Robustní konstrukce svěrky zvyšuje provozní bezpečnost a odolnost celého systému vůči přetížení. Dodržování maximálních parametrů zatížení zajišťuje trvanlivost montážních prvků a zajišťuje dlouhý a bezproblémový provoz.

Antikorozní ochrana
Svorka opěrného kola je vyrobena z galvanicky pozinkované oceli , která poskytuje účinnou ochranu proti korozi a dlouhou životnost i při intenzivním venkovním používání. Zinkový povlak chrání ocelové komponenty před vlhkostí, posypovou solí a měnícími se povětrnostními podmínkami, čímž zvyšuje trvanlivost a odolnost proti mechanickému poškození.
Svorka je klíčovým upevňovacím prvkem pro opěrné kolo nebo podpěrnou nohu , který umožňuje stabilní a bezpečné upevnění k oji přívěsu. Bezpečně drží trubku na místě a zajišťuje tak bezpečnost při parkování a manévrování. Usnadňuje podepření oje, rychlé připojení a odpojení přívěsu a ruční posouvání přívěsu na dvoře, příjezdové cestě nebo v dílně. Toto praktické a spolehlivé řešení, používané u přepravních přívěsů, přívěsů pro lodě a karavanů , zajišťuje odolnost a strukturální stabilitu. Z bezpečnostních důvodů zkontrolujte před každou jízdou tlak páky a stav trubky opěrného kola.
Zakoupením jakéhokoli produktu z naší nabídky získáte záruku 2 roky. Díky tomu jej můžete používat bez obav z následků případné poruchy. V zájmu Vaší spokojenosti jsme maximálně zjednodušili proces podání případné reklamace - stačí vyplnit a odeslat formulář dostupný na našich stránkách.
Máte dotazy ohledně výběru nebo použití našich produktů? Kontaktujte nás! Specialisté společnosti Unitrailer vám rádi poskytnou jakékoli informace.













