Oporné kolo s objímkou WINTERHOFF ST48-260LB+KLE48 150 kg 48 mm 500-710 mm
- Sada opěrného kola s objímkou poskytuje stabilní oporu při parkování, usnadňuje manévrování a umožňuje rychlé připojení a odpojení přívěsu od tažného zařízení. Opěrné kolo s nosností až 150 kg zaručuje odolnost a bezpečné používání.
V sadě
Oporné kolo s objímkou WINTERHOFF ST48-260LB+KLE48 150kg 48mm
Kompletní sada WINTERHOFF včetně pevného opěrného kola, speciální svorky a potřebných montážních prvků , které zajišťují stabilní a bezpečné uchycení přívěsu při parkování, manévrování a připojování k tažnému zařízení.
Sada obsahuje:
- 1x opěrné kolo ST48-260LB
- 1x svorka (svěrka) KLE48 pro opěrné kolo
- 2x šroub M10x25
- 2x samojistná matice M10
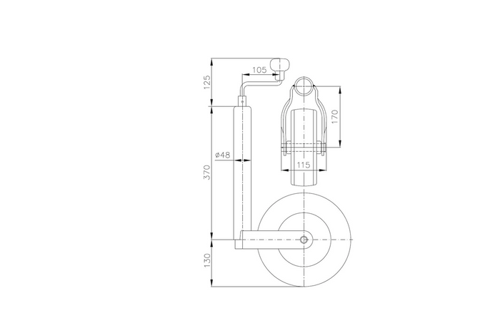
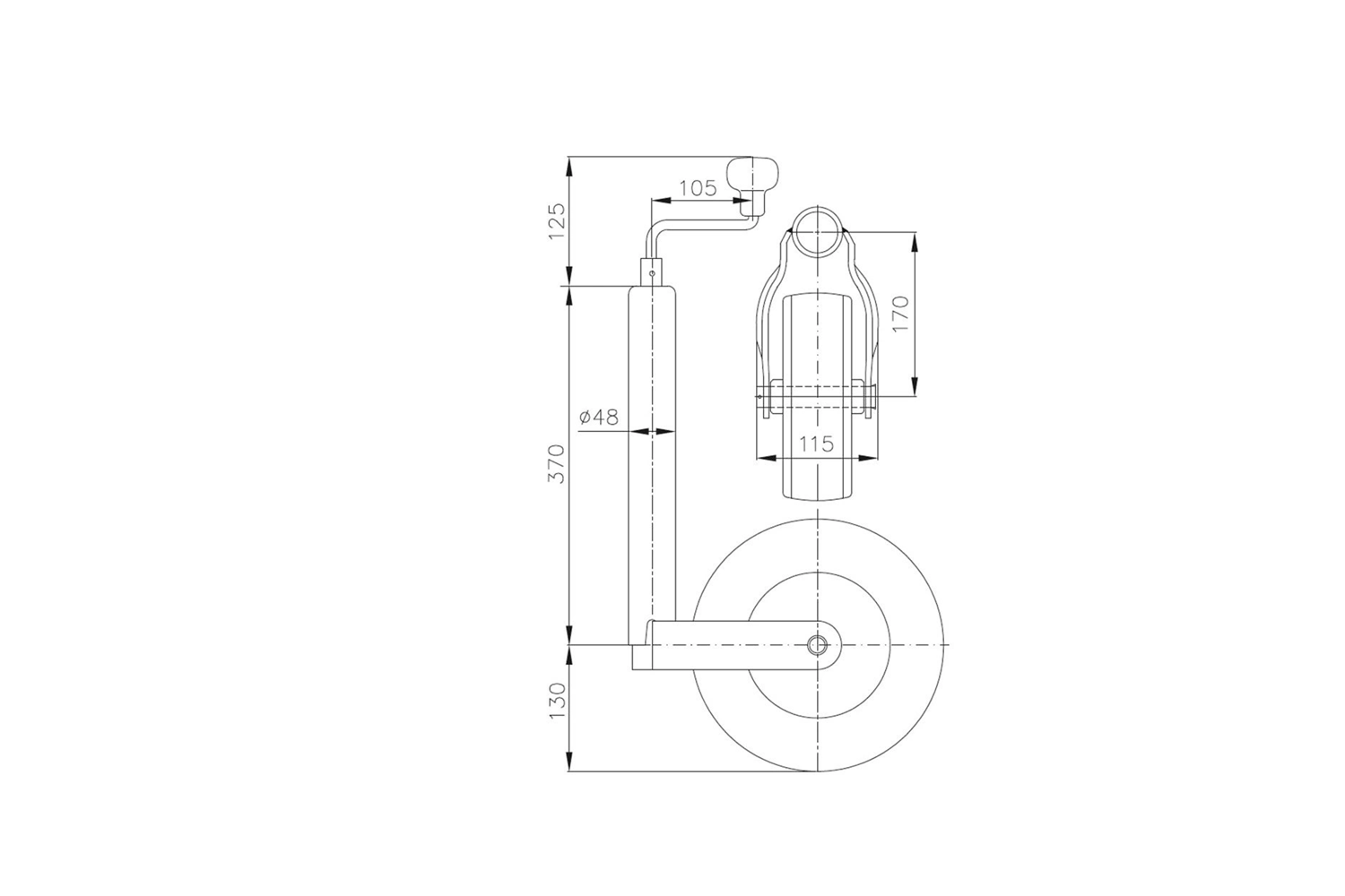
Oporné kolo ST48-260LB má trubku o průměru 48 mm a délce 370 mm , což zajišťuje pevnou a stabilní konstrukci. Celková výška trubky včetně kola je 500 mm , což umožňuje pohodlné nastavení různých výšek oje.
Svorka (objímka) KLE48 s průměrem trubky 48 mm zajišťuje stabilní a bezpečné upevnění k oji přívěsu. Svorka je dlouhá 131 mm a široká 66 mm , což zajišťuje dostatečnou upínací plochu a pevné uchycení trubky. Je vybavena dvěma montážními otvory o průměru 10,5 mm, které jsou od sebe vzdáleny 105 mm , což umožňuje snadnou a přesnou instalaci na konstrukci přívěsu.

Přípustné zatížení
Přípustné zatížení v zaparkovaném stavu je 150 kg , což zajišťuje stabilní oporu přívěsu během nakládky, vykládky a parkování. Během manévrování je maximální zatížení 90 kg , což zajišťuje bezpečné najíždění a polohování přívěsu bez rizika přetížení mechanismu. Správné dodržování těchto limitů zajišťuje trvanlivost výrobku a bezpečný provoz.

Délka prodloužení
Prodloužení opěrného kola je 210 mm , což poskytuje dostatečný rozsah nastavení výšky oje. Výška opěrného kola s kolem je 500 mm a maximální výška s prodloužením dosahuje 710 mm . Tento rozsah umožňuje pohodlné přizpůsobení přívěsu různým terénním podmínkám a usnadňuje jeho připojení a odpojení od tažného zařízení, což zvyšuje pohodlí a stabilitu při parkování.

Klika s axiálním ložiskem
Klika je vybavena axiálním ložiskem , které výrazně zlepšuje komfort. Ložisko snižuje tření během provozu, což vede k plynulejšímu a lehčímu pohybu kliky . To znamená, že zvedání a spouštění opěrného kola vyžaduje menší sílu a je pohodlnější i při velkém zatížení.

Typ kola
Kolo o rozměrech 260 x 85 mm je nafukovací kolo s ocelovým ráfkem , které zajišťuje lepší tlumení nárazů a plynulejší ovladatelnost přívěsu, zejména na nerovném povrchu. Pneumatika plněná vzduchem účinně tlumí vibrace a zlepšuje ovladatelnost. Ocelový ráfek zpevňuje konstrukci a zvyšuje odolnost vůči zatížení a mechanickému poškození, čímž zajišťuje odolnost v různých podmínkách použití. Nafukovací kolo se liší od kola z plné gumy tím, že obsahuje vzduch, což mu umožňuje lépe absorbovat nárazy a nerovný terén. Kolo z plné gumy je bezvzduchové, a proto ho nelze propíchnout, ale poskytuje menší tlumení vibrací.

Antikorozní ochrana
Oporné kolo je vyrobeno z žárově pozinkované oceli , která poskytuje vysoce kvalitní ochranu proti korozi a zajišťuje dlouhou životnost i při intenzivním venkovním používání. Svorka je galvanicky pozinkovaná , takže je také odolná vůči vlhkosti a měnícím se povětrnostním podmínkám. Zinkový povlak účinně chrání ocelové komponenty před vlhkostí, posypovou solí a měnícími se povětrnostními podmínkami, čímž zvyšuje trvanlivost a odolnost konstrukce proti poškození.
Sada opěrného kola a svorky je praktické a spolehlivé řešení určené ke stabilizaci přívěsu při parkování a usnadňuje jeho manévrování a pojíždění po dvoře, příjezdové cestě, kempu nebo dílně. Umožňuje pohodlné připojení a odpojení přívěsu od tažného zařízení a přesné umístění. Opěrné kolo stabilizuje přívěs, ale není určeno k jeho zvedání s nákladem. Svorka je však klíčovým montážním prvkem, který zajišťuje stabilní a bezpečné uchycení trubky k oji a její bezpečné umístění. Tato kombinace zvyšuje pohodlí a bezpečnost přepravních, lodních a karavanových přívěsů a zajišťuje odolnost a pevnost konstrukce. Z bezpečnostních důvodů zkontrolujte před každou jízdou tlak páky a stav trubky opěrného kola.
Zakoupením jakéhokoli produktu z naší nabídky získáte záruku 2 roky. Díky tomu jej můžete používat bez obav z následků případné poruchy. V zájmu Vaší spokojenosti jsme maximálně zjednodušili proces podání případné reklamace - stačí vyplnit a odeslat formulář dostupný na našich stránkách.
Máte dotazy ohledně výběru nebo použití našich produktů? Kontaktujte nás! Specialisté společnosti Unitrailer vám rádi poskytnou jakékoli informace.

















