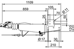
Nájezdové zařízení AL-KO 2.8VB1 se závěsem AK351 pro přívěs 3500 kg se čtyřhrannou ojí
- Nájezdové zařízení/nájezdová brzda 2,8VB1 od AL-KO je určena pro tažné přívěsy se čtvercovým profilem 120 mm, s celkovou hmotností od 2 500 kg do 3 500 kg. Zařízení je vybaveno tažným kloubem AK 351.
Nájezdové zařízení AL-KO 2.8VB1 se závěsem AK351 pro přívěs 3500 kg se čtyřhrannou ojí
Nájezdové zařízení 2,8VB1 od AL-KO je všestranné řešení určené pro brzděné přívěsy a odtahové vozy s ojí čtvercového profilu 120 mm, s celkovou hmotností od 2 500 kg do 3 500 kg . Vyznačuje se maximálním přípustným vertikálním zatížením 150 kg, což zaručuje optimální rozložení nákladu mezi přívěs a tažné vozidlo. Zařízení 2,8VB1 je vybaveno tažným kloubem AK 351 , který zajišťuje stabilní a bezpečné spojení s vozidlem a je kompatibilní s brzdovým mechanismem AL-KO 2361.
Nájezdové zařízení je pokročilé řešení, které výrazně zlepšuje bezpečnost a komfort jízdy s přívěsem nebo odtahovým vozem. Díky jeho použití je možné zkrátit brzdnou dráhu a udržet stabilní jízdní stopu při brzdění soupravy . Zařízení spoluprací s brzdovým systémem vozu automaticky brzdí tažené vozidlo, což podporuje jeho činnost a ovlivňuje plynulost provozu. Použití nájezdového zařízení nejen zvyšuje bezpečnost silničního provozu, ale přispívá i ke snížení opotřebení brzdového systému tažného vozidla. Kromě toho je toto zařízení mimořádně funkční i při stání, což vám umožní účinně zablokovat vozidlo proti přejetí dopředu nebo dozadu.

Tažný kloub AK 351
Tažný kloub AK 351 od AL-KO zajišťuje pevné a bezpečné spojení s tažným vozidlem. Vyrobeno z odolné litiny, zajišťuje maximální životnost a odolnost proti zatížení. Závěs je navíc vybaven pokročilými bezpečnostními systémy: indikátor opotřebení závěsu informující o nutnosti výměny prvků, indikátor správného spojení , zajišťující správné připojení a ochranu proti nesprávnému spojení , eliminující riziko náhodného rozpojení během jízdy.

Antikorozní ochrana
Nájezdové zařízení se žárově pozinkovaným ocelovým pláštěm využívá pokročilou technologii antikorozní ochrany. Proces galvanizace vytváří na celém povrchu prvku odolný povlak, který účinně chrání proti rzi, korozi a mechanickému poškození. Pouzdro odolává extrémním povětrnostním podmínkám, včetně vlhkosti, silniční soli a kolísání teplot , což je zásadní pro zařízení neustále vystavená obtížným silničním podmínkám. Díky této ochraně si zařízení zachovává své vlastnosti po dlouhou dobu a minimalizuje nutnost údržby a výměny. To se promítá do dlouhodobých úspor a spolehlivosti při provozu přívěsu.
Zakoupením jakéhokoli produktu z naší nabídky získáte záruku 2 roky. Díky tomu jej můžete používat bez obav z následků případné poruchy. V zájmu Vaší spokojenosti jsme maximálně zjednodušili proces podání případné reklamace - stačí vyplnit a odeslat formulář dostupný na našich stránkách.
Máte dotazy ohledně výběru nebo použití našich produktů? Kontaktujte nás! Specialisté společnosti Unitrailer vám rádi poskytnou jakékoli informace.
















